Nguyên lý thu Radio AM, FM
1. Nguyên lý thu sóng Radio băng AM
a) Sơ đồ khối của Radio băng AM :
- Mạch cộng hưởng và khuếch đại cao tần (RF Amply) thu tín hiệu từ một đài phát bằng nguyên lý cộng hưởng, sau đó khuếch đại tín hiệu cho đủ mạnh cung cấp cho mạch đổi tần .
- Mạch dao động nội ( OSC ) tạo dao động cung cấp cho mạch đổi tần .
- Mạch đổi tần ( Mixer ) trộn hai tín hiệu RF và tín hiệu OSC để tạo ra tín hiệu trung tần IF, IF là tín hiệu có tần số cố định bằng 455KHz
- Mạch khuếch đại trung tần ( IF Amply ) : Khuếch đại tín hiệu IF lên biên độ đủ lớn cung cấp cho mạch tách sóng .
- Mạch tách sóng ( Detect ) Tách tín hiệu âm tần ra khỏi sóng mang cao tần .
- Mạch cộng hưởng cao tàn (RF Amply) bao gồm : Tụ xoay C1 đấu song song với cuộn dây L1 quấn trên thanh ferit tạo thành mạnh mạch dao động LC, mạch thu sóng theo nguyên lý cộng hưởng, có rất nhiều sóng mang có tần số khác nhau từ các đài phát cùng đi tới máy thu, khi tần số dao động của mạch trùng với sóng mang của một đài phát thì tín hiệu sóng mang của đài phát đó được cộng hưởng và biên độ tăng lên gấp nhiều lần, tín hiệu này được thu vào thông qua cuộn thứ cấp của cuộn dây và được khuếch đại qua đèn Q1, sau đó đưa sang mạch đổi tần, C1 là tụ xoay có thể thay đổi giá trị, khi ta chỉnh núm Tuning chính là chỉnh tụ xoay C1 làm trị số C1 biến đổi => tần số cộng hưởng của mạch thay đổi .
- Mạch OSC gồm tụ xoay C2 đấu song song với cuộn L2 tạo thành mạch dao động, tụ xoay C2 được gắn chung với tụ C1 và hai tụ này đựơc chỉnh để thay đổi giá trị đồng thời, dao động nội có tần số luôn luôn thấp hơn tần số cộng hưởng RF một lượng không đổi.
- Mạch đổi tần : đèn Q2 làm nhiệm vụ đổi tần, tín hiệu cao tần RF được đưa vào cực B, tín hiệu dao động nội được đưa vào cực E , tín hiệu lấy ra trên cực C gọi là IF ( tín hiệu trung tần) có giá trị không đổi bằng 455KHz
Băng sóng AM thường được chia ra làm hai hoặc ba băng là
- Băng sóng trung MW có dải tần từ 526,5KHz đến 1606,5KHz
- Băng sóng ngắn 1 : SW1 có dải tần từ 2,3MHz đến 7,3MHz
- Băng sóng ngắn 2 : SW2 có dải tần từ 7,3MHz đến 22MHz
Dưới đây là sơ đồ mạch chuyển băng, khi ta chuyển giữa các băng sóng, tụ xoay sẽ tiếp vào các điểm được đấu với cuộn dây có số vòng dây khác nhau => làm cho tần số cộng hưởng thay đổi.
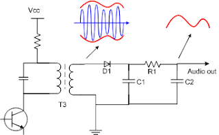
Mạch tách sóng bao gồm Diode D1 tách lấy bán kỳ dương của tín hiệu sau đó được mạch lọc RC ( R1, C1, C2) lọc bỏ thành phần cao tần , ở đầu ra ta thu được tín hiệu âm tần là đường bao của tín hiệu cao tần.
Chính mạch lọc RC của mạch tách sóng AM đã loại bỏ mất các thành phần tần số cao của tín hiệu âm tần, do đó chất lượng âm thanh bị giảm.
- Xác định đúng hiện tượng là hư hỏng thuộc khối Radio ( Thông thường sửa mạch Radio sau khi mở băng casset đã có âm thanh nhưng Radio bị hỏng )
- Xác định mạch Vcc ( đường điện áp nuôi ) cho khối Radio : để xác định mạch Vcc ta dựa vào tụ hoá lọc nguồn to nhất ở khu vực, nguồn Vcc đi qua cực dương của tụ.
- Xác định tụ xoay, các thạch anh cộng hưởng trung tần cho băng FM.
- Trước khi sửa khối Radio cần chắc chắn rằng các khối Equalizer, công xuất đã hoạt động bình thường ( nếu Equalizer và công xuất đã tốt thì gõ tôvit vào đầu vào khối Equalizer sẽ có tiếng ù ra loa )
- Đo Vcc cho khối Radio xem có 6V không ? ( đo trên tụ hoá lọc nguồn to nhất trong khu vực Radio)
- Nếu đã có điện áp Vcc thì gõ tôvit vào chân tụ xoay xem có tiếng kêu to ở loa không.
- Nếu gõ vào tụ xoay mà có tiếng kêu to ở loa thì cần kiểm tra cuộn dây quấn trên thanh ferit xem có bị đứt không, thay thử các thạch anh 455MHz ở mạch trung tần .
- Nếu gõ vào tụ xoay mà không có tiếng kêu ( đã có Vcc) thì thường do hỏng IC.
- Nếu mất Vcc cho khối Radio , ta lần ngược theo mạch in về phía chuyển mạch Function để kiểm tra, kiểm tra trở kháng của khối Radio bằng cách đo bằng thang x1W vào hai đầu tụ lọc, nếu 1 chiều đo lên kim, 1 chiều đo không lên kim => là trở kháng bình thường, cả hai chiều kim lên = 0W là bị chập, thông thường là chập IC, ( Hãy xem lại sơ đồ cấp điện của mạch nguồn)







Facebook
Twitter
Google+
Rss Feed


0 nhận xét: